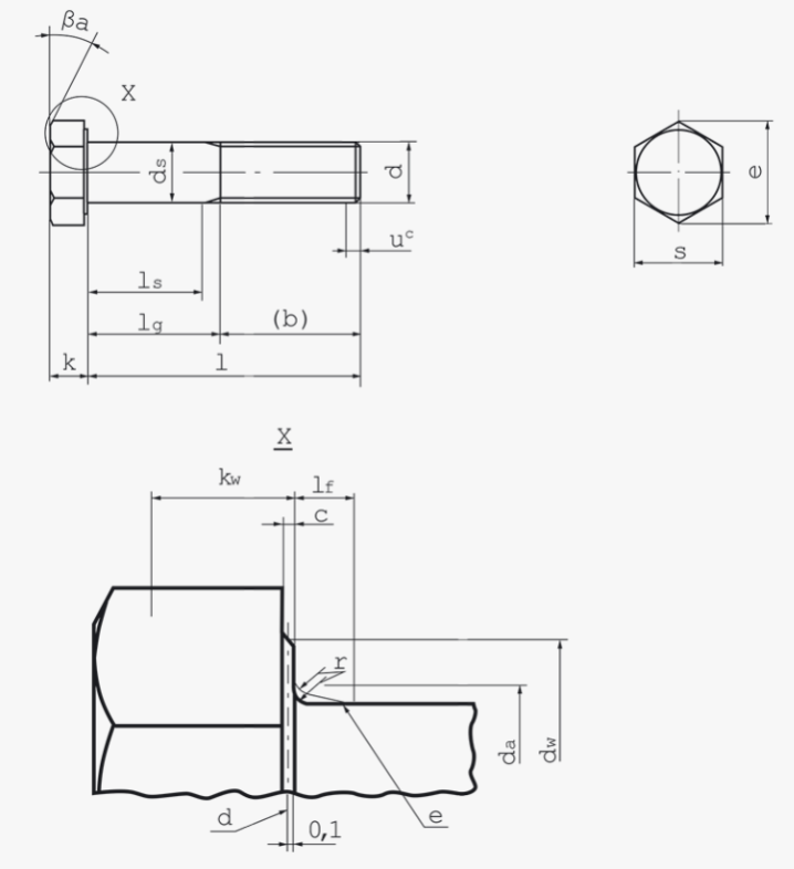
Болт с шестигранной головкой ГОСТ Р ИСО 4014-2013
Болт с шестигранной головкой ГОСТ Р ИСО 4014-2013
Соответствуют международному стандарту ГОСТ Р ИСО 4014-2013 соединений благодаря точным размерам и качеству материалов. Являются аналогом болтов ГОСТ 7798 /7805
Широко применяются для крепления деталей и конструкций в машиностроении, судостроении, строительстве и оборудовании. Они обеспечивают высокую прочность и надежность соединений благодаря точным размерам и качеству материалов.
